中華人民共和國國家軍用標準
GJB2218A-2008 代替 GJB 2218-1994
航空用鈦及鈦合金棒材和鍛坯規范
Specification of titanium and titanium alloy
bars and forging stocks for aircraft
2008-03-17發布 2008-10-01實施
國防科學技術工業委員會發布
前言
本規范代替GJB 2218-1994《航空用鈦及鈦合金棒材和鍛坯規范》。
本規范與GJB 2218-1994相比, 主要有以下變化:
一增加了TA15、TA19(Ti-6242)和TC17(Ti-17)三個鈦合金牌號及相應的要求;
一擴大了棒材的尺寸范圍規定,最小直徑從21mm改為12mm,最大長度從4000mm改為5000mm;
補充并調整了各牌號鈦合金試樣的推薦熱處理制度;
增加了部分牌號產品的室溫Rp2指標;
-修訂了TA2、TA3和TA4工業純鈦產品的力學性能要求;
增加了所列牌號鈦合金棒材的高溫力學性能等要求;
-增加了產品錠節號管理的要求;
補充修改了產品分類的規定。
本規范的附錄A為規范性附錄。
本規范由有色金屬技術經濟研究院提出。
本規范由中國有色金屬工業標準計量質量研究所歸口。
本規范起草單位:寶鈦集團有限公司、北京航空材料研究院、沈陽飛機設計研究所、沈陽飛機工業(集團)有限公司、紅原鍛鑄工業公司。
本規范主要起草人:張平輝、王永梅、蔡建明、黃永光、李紅恩、王雪梅、李獻軍、李渭清、王寶善。
本規范于1994年12月首次發布。
航空用鈦及鈦合金棒材和鍛坯規范
1、范圍
本規范規定了鈦及鈦合金棒材和鍛坯(餅、環)的要求、質量保證規定、交貨準備等。
本規范適用于航空用熱軋和熱鍛的鈦及鈦合金棒材和鍛坯(餅、環),航天及其他用途的鈦及鈦合金棒材和鍛坯(餅、環)可參照使用。

2、規范性引用文件
下列文件中的條款通過本規范的引用而成為本規范的條款。凡是注日期的引用文件,其隨后所有的修改單(不包含勘誤的內容)或修訂版均不適用于本規范,然而,鼓勵根據本規范達成協議的各方研究是否可使用這些文件的最新版本。凡是不注日期的引用文件,其最新版本適用于本規范。
GB/T 228 金屬材料室溫拉伸試驗方法
GB/T 229 金屬夏比缺口沖擊試驗方法
GB/T 2039 金屬拉伸蠕變及持久試驗方法
GB/T 3620.1 鈦及鈦合金牌號和化學成分
GB/T 3620.2 鈦及鈦合金加工產品化學成分允許偏差
GB/T 4161 金屬材料平面應變斷裂韌度Kic試驗方法
GB/T 4338 金屬材料 高溫拉伸試驗方法
GB/T 4698(所有部分)海綿鈦、鈦及鈦合金化學分析方法
GB/T 5168 兩相鈦合金高、低倍組織檢驗方法
GB/T 5193 鈦及鈦合金加工產品超聲波探傷方法
GB/T 8180 鈦及鈦合金加工產品的包裝、標志、運輸和貯存
GJB 1580-1993 變形金屬超聲波檢驗方法
3、要求
3.1 材料
3.1.1 用于制造棒材和鍛坯的鑄錠應采用真空自耗電弧爐熔煉,熔煉次數應不少于兩次,其中TA15、TA19、TC11、TC17的熔煉次數應為三次。最后一次熔煉穩定階段的壓強應不大于5Pa(需充惰性氣體熔煉的除外)。
3.1.2 自耗電極不允許使用鎢極氬弧焊焊接。
3.2 產品的牌號、狀態、規格
棒材和鍛坯牌號、狀態和規格應符合表1的規定。其中TA15鈦合金棒材根據用途分為兩個類別:
A類和B類,一般按A類用途供貨,當訂購方要求并在合同中注明時,可按B類用途供貨。


3.3 化學成分
3.3.1 棒材或鍛坯的化學成分應符合GB/T 3620.1的規定。
3.3.2 訂購方從棒材或鍛坯上取樣進行化學成分復驗時,其成分允許偏差應符合GB/T 3620.2的規定。
3.4 力學性能
3.4.1 棒材或鍛坯的力學性能在經熱處理后的試樣坯上測試。試樣的推薦熱處理制度見表2。

3.4.2 棒材的室溫力學性能應符合表3的規定,鍛坯的室溫力學性能應符合表4的規定,超出表中規格范圍的棒材或鍛坯的室溫力學性能由雙方協商確定。

3.4.3 訂購方要求并在合同中注明時,鈦合金棒材的高溫拉伸、持久性能應符合表5的規定,TA19和TC17鈦合金棒材的熱穩定性和高溫蠕變性能應符合表6的規定。



3.4.4 B類用途的TA15鈦合金棒材,其室溫力學性能在退火態棒材上或經熱處理后的棒坯(一段棒材)上取樣測試。其室溫力學性能應符合表7的規定,高溫力學性能應符合表8的規定;當訂購方要求并在合同中注明時,直徑大于200mm的棒材應取樣鐓制餅坯,餅坯的室溫力學性能應符合表9的規定。



3.5 β轉變溫度
棒材或鍛坯(工業純鈦TA2、TA3和TA4除外)應按熔煉爐號提供β轉變溫度。
3.6 超聲波檢驗
3.6.1 除B類用途的TA15鈦合金棒材外,棒材或鍛坯應按GB/T 5193的規定進行超聲波檢驗,其驗收級別應符表10的規定。

3.6.2 B類用途的TA15鈦合金棒材,應按本規范的附錄A進行徑向縱波、周向橫波檢驗。徑向縱波檢驗允許的缺陷當量值見表11,周向橫波檢驗不允許存在任何超過人工傷反射幅度的信號。

3.7 尺寸和外形
3.7.1 棒材和鍛坯以磨削或機加工表面供貨。當訂購方要求并在合同中注明時,棒材也可以熱加工表面供貨。棒材和鍛坯的尺寸允許偏差應符合表12的規定。

3.7.2 棒材的定尺或倍尺長度應在其不定尺長度范圍內,定尺長度的允許偏差為+15mm,倍尺長度還應計入棒材切斷時的切口量,每一切口量為10mm。
3.7.3 棒材的兩端應切平整,切斜應不大于5mm。
3.7.4 棒材的彎曲度應不大于5mm/m,熱加工表面棒材的彎曲度應不大于8mm/m。
3.7.5 鍛坯的倒角半徑為5mm~10mm。
3.8 低倍組織
3.8.1 低倍組織不應有裂紋、折疊、氣孔、偏析、金屬或非金屬夾雜及其他目視可見的冶金缺陷。B類用途的TA15鈦合金棒材,其低倍組織還不允許有明顯的、目視可見的清晰晶粒。
3.8.2 低倍組織應按圖1進行評定。直徑或厚度不大于100mm的棒材應符合1級~4級;大于100mm~200mm的棒材應符合1級~5級;大于200mm~300mm的棒材應符合1級~6級。當低倍組織出現下列情況時,以顯微組織進行判定:
a)直徑或厚度不大于100mm的低倍組織為5級;
b)直徑或厚度大于100mm~200mm的低倍組織為6級;
c)直徑或厚度大于200mm~300mm的低倍組織為7級。
3.9 顯微組織
3.9.1 經熱處理后,TA2、TA3、TA4、TA7鈦合金的顯微組織應是等軸α組織或等軸和拉長α組織,以及部分破碎和扭曲的晶界α及片狀α,無完整的原始β晶界。
3.9.2 經熱處理后,其余牌號鈦合金的顯微組織應是兩相區加工產生的組織,無完整的原始β晶界。
在轉變的β基體上的等軸α組織,或等軸α和拉長α組織,以及部分破碎和扭曲的晶界α及片狀α都是可接受的組織。
3.9.3 B類用途的TA15鈦合金棒材,其橫向顯微組織應按圖2進行評定,直徑或厚度不大于100mm的棒材應符合1類~5類;大于100mm~200mm的棒材應符合1類~7類;大于200mm~300mm的棒材應符合1類~8類。
3.9.4 訂購方對顯微組織有特殊要求時,應經雙方協商并在合同中注明。
3.10 表面狀況
磨削或機加工棒材和鍛坯的表面粗糙度的Ra值應不大于3.2um。
3.11 外觀質量
3.11.1 棒材和鍛坯表面不允許有裂紋、折疊、重皮、縮尾及其他冶金缺陷。表面的局部缺陷應予以清除,清理深度應不超過其尺寸允許偏差,清理深度與寬度之比應不大于1:6(鍛坯平面上應不大于1:10)。
在鍛坯兩側面的對稱面上不得同時出現清理凹坑。
3.11.2 棒材和鍛坯表面允許有個別細小的疤痕、龜裂、鱗皮、皺褶、印痕、啃傷、麻點和劃痕,但應保證不超出其尺寸允許偏差。
3.12 產品標志
3.12.1 在已檢驗的每件棒材或鍛坯的一個端面或靠近端面的頭部應打印(或粘貼標簽)標記以下內容:
a)承制方質量檢驗部門的印記;
b)產品牌號;
c)規格;
d)熔煉爐號;
e)錠節號。
3.12.2 棒材和鍛坯實行錠節號管理。當訂購方要求并在合同中注明時,還可實行頭部管理。頭部管理的要求為:若棒材用料包括鑄錠靠冒口部分,則在靠近冒口的第一根棒材的靠近冒口一端作出標志“T”。
4、質量保證規定
4.1 檢驗分類
本規范規定的檢驗為質量一致性檢驗。
4.2 質量一致性檢驗
4.2.1 組批
產品應成批提交驗收。每批應由同一牌號、熔煉爐號、狀態、規格、制造方法、生產周期的棒材或鍛坯組成。
4.2.2 檢驗項目及取樣
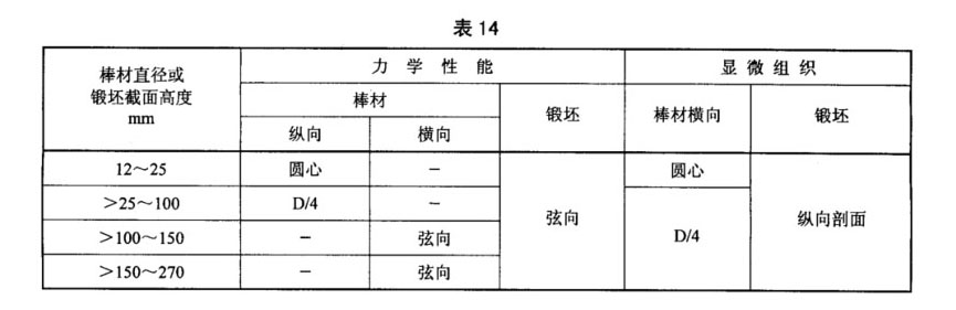
4.2.2.1 質量一致性檢驗的項目、取樣位置及數量應符合表13、表14的規定。


4.2.2.2 鍛坯的取樣,每批產品解剖一件(也可截取試樣環),承制方在半個鍛坯(或試樣環)上取樣進行力學性能(各2個)及低倍和顯微組織(各1個)的檢驗,另半個鍛坯(或試樣環)隨同該批產品一起交付
訂購方(供復驗用),并計入交貨重量。
當用同一鑄錠采用相近工藝,同時生產幾種規格相近的鍛坯時,訂購方同意并在合同中注明時,允許用最大規格鍛坯的性能和組織的檢驗結果代表其他規格鍛坯的檢驗。
4.2.2.3 B類用途TA15鈦合金棒材的取樣位置還應符合表15的規定,直徑大于200mm的棒材當訂購方要求并在合同中注明進行鐓制餅坯檢驗時,從每根受檢棒材上截取長度為60mm±3mm的毛坯。
毛坯加熱到β相變溫度以下20℃~40℃, 保溫30min, 在鍛錘或壓力機上一火鐓粗至高度為24mm±3mm的餅坯,然后按3.3.1條推薦的制度進行熱處理。敏粗餅坯一半由承制方進行試驗,另一半與該批棒材一起提交訂購方。餅坯按表14規定的取樣數量進行室溫力學性能和斷裂韌度試驗,取樣位置為餅坯厚度中心處的D/2~D/4之間的弦向。

4.2.3 檢驗結果的判定
4.2.3.1 化學成分不合格時,整批產品不合格。
4.2.3.2 超聲波檢驗、尺寸、表面狀況以及外觀質量不合格時,判單根(件)不合格。
4.2.3.3 在力學性能檢驗中,如果有一個試樣的試驗結果不合格,則從該批棒材或鍛坯(包括原受檢產品)中取雙倍試樣進行該不合格項目的重復試驗。若重復試驗結果仍有試樣不合格,則判該批產品為不合格。但允許承制方逐根(件)對不合格項目進行檢驗,合格者重新組批交貨。
4.2.3.4 在低倍組織檢驗中,如發現并判為有脆性偏析(其硬度明顯高于基體的偏析,常見的如富氧、富氮等偏析),該批產品不合格;如判為有非脆性偏析,允許切除后重新組批提交驗收。B類用途的TA15鈦合金棒材,其低倍組織檢驗中認為存在清晰晶時,以該處的顯微組織為準進行判定。
4.2.3.5 顯微組織檢驗不合格,允許承制方調整熱處理后重復試驗,若重復試驗結果仍不合格,則判該批產品為不合格。允許承制方逐根(件)進行檢驗,合格者重新組批交貨。
4.3 檢驗方法
4.3.1 化學成分仲裁分析按GB/T4698(所有部分)進行。
4.3.2 室溫拉伸試驗按GB/T228-2002進行。室溫拉伸試驗選GB/T228-2002中的R7試樣。
4.3.3 沖擊試驗按GB/T229進行。選用缺口深度為2mm的U型缺口試樣。
4.3.4 平面應變斷裂韌度Kic試驗按GB/T 4161進行。試樣形式為緊湊拉伸試樣。
4.3.5 高溫拉伸試驗按GB/T4338進行。
4.3.6 高溫蠕變、高溫持久試驗按GB/T2039進行。
4.3.7 β轉變溫度用金相淬火法或其他方法測定。
4.3.8 超聲波檢驗按GB/T5193進行,其中B類用途TA15鈦合金棒材的超聲波檢驗按本規范的附錄A進行。
4.3.9 尺寸和外形的測量用相應精度的量具進行。
4.3.10 低倍組織、顯微組織的檢驗按GB/T5168進行。
4.3.11 表面狀況檢驗用表面粗糙度標塊對比法進行。
4.3.12 外觀質量用目視檢驗。
5、交貨準備
5.1 包裝、標志、運輸、貯存
產品的包裝、標志、運輸、貯存按GB/T8180的規定進行。
5.2 質量證明書
每批產品應附有質量證明書,其上注明:
a)承制方名稱、地址、電話、傳真;
b)產品名稱;
c)產品牌號、鑄錠熔次;
d)規格、狀態;
e)批號或熔煉爐號、錠節號;
f)β轉變溫度;
g)凈重和件數;
h)試樣所采用的熱處理制度、各項分析檢驗結果和質量檢驗部門印記;
i)本規范編號;
j)出廠日期(或包裝日期)
6、說明事項
6.1 預定用途
本規范規定的鈦及鈦合金棒材、鍛坯預定用于制作航空零件。
6.2 訂貨文件應明確的內容
合同或訂單中應寫明下列內容:
a)本規范的名稱和編號;
b)產品名稱、牌號、狀態、規格和數量,B類用途的TA15鈦合金棒材訂貨時,應予以注明;
c)對規定之外規格的室溫力學性能的要求;
d)對高溫力學性能的要求;
e)對顯微組織的特殊要求;
f) 其他需要說明的事項。
無相關信息bjjwtai.com
巨偉鈦業手機網